保养维修网
  • 首页
  • 消防技术
  • 安防技术
  • 维修资料
  • 案例展示
  • 关于我们
  • 首页
  • 维修资料

维修资料

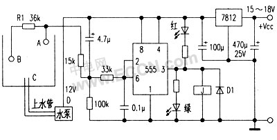
  • 水位控制器制作电路图

    水位控制器制作电路图

    水位控制器制作电路图

    2020-09-13

  • 系统常见故障排除方法

    系统常见故障排除方法

    系统常见故障排除方法

    2020-09-13

热门文章

  • 系统常见故障排除方法 2020-09-13
  • 水位控制器制作电路图 2020-09-13

热门标签

  • 发现火灾
  • 第一时间
  • 办法
  • 灭火三要素
  • 手提式
  • 干粉灭火器
  • 使用方法
  • 水不能扑救
  • 火灾发生时应遵循的“三救”原则
  • 火灾逃生“七十二字口诀”具体内容
  • 消防安全20条
  • 防火常识
  • 逃生自救常识
  • CCD
  • 720P
  • 1080P
  • CMOS
  • 高清摄像头
  • 硬盘录像机
  • 不断重启

©2025 保养维修网 京ICP备15003050号-1 网站地图
Powered By SSYCMS